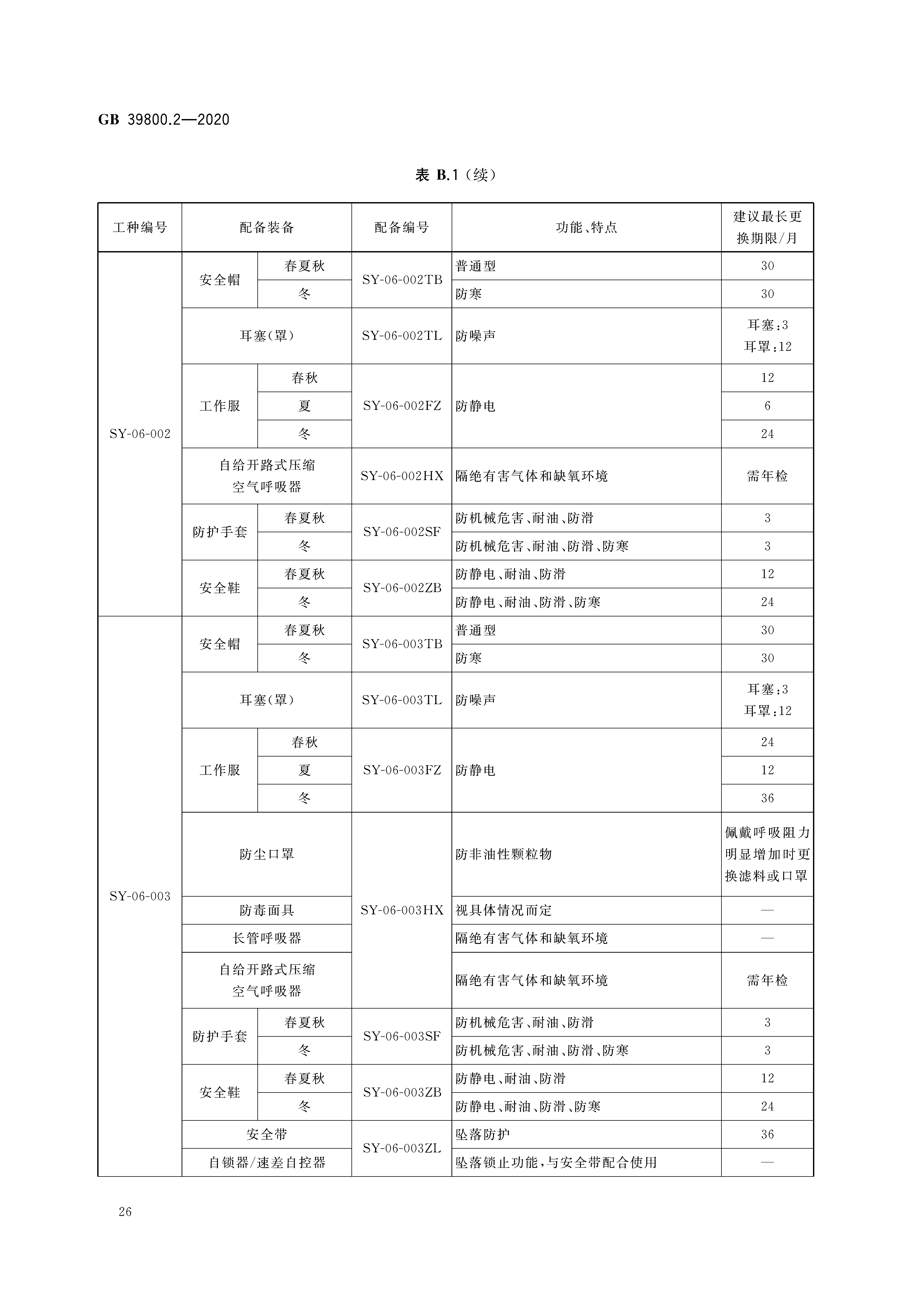
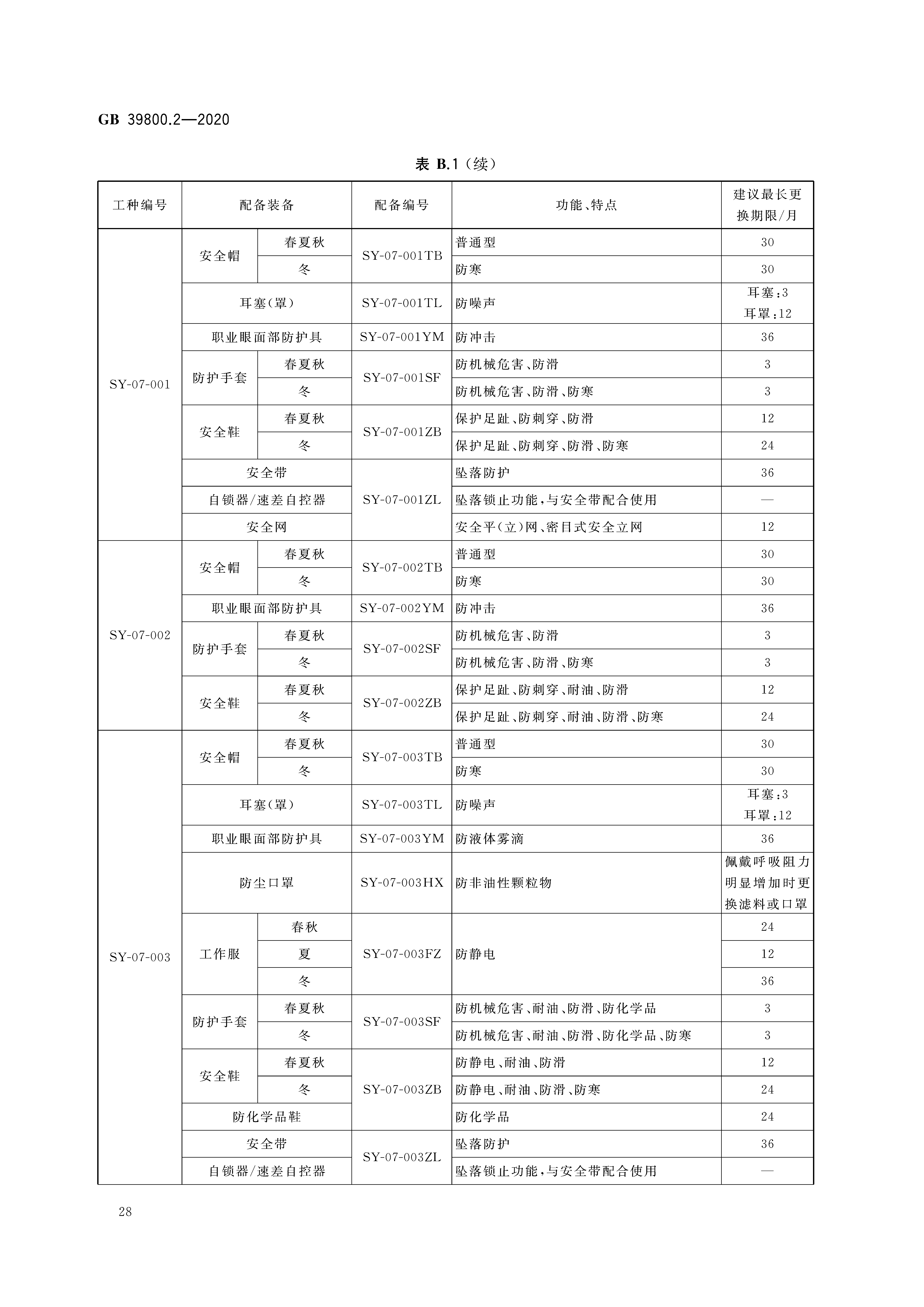
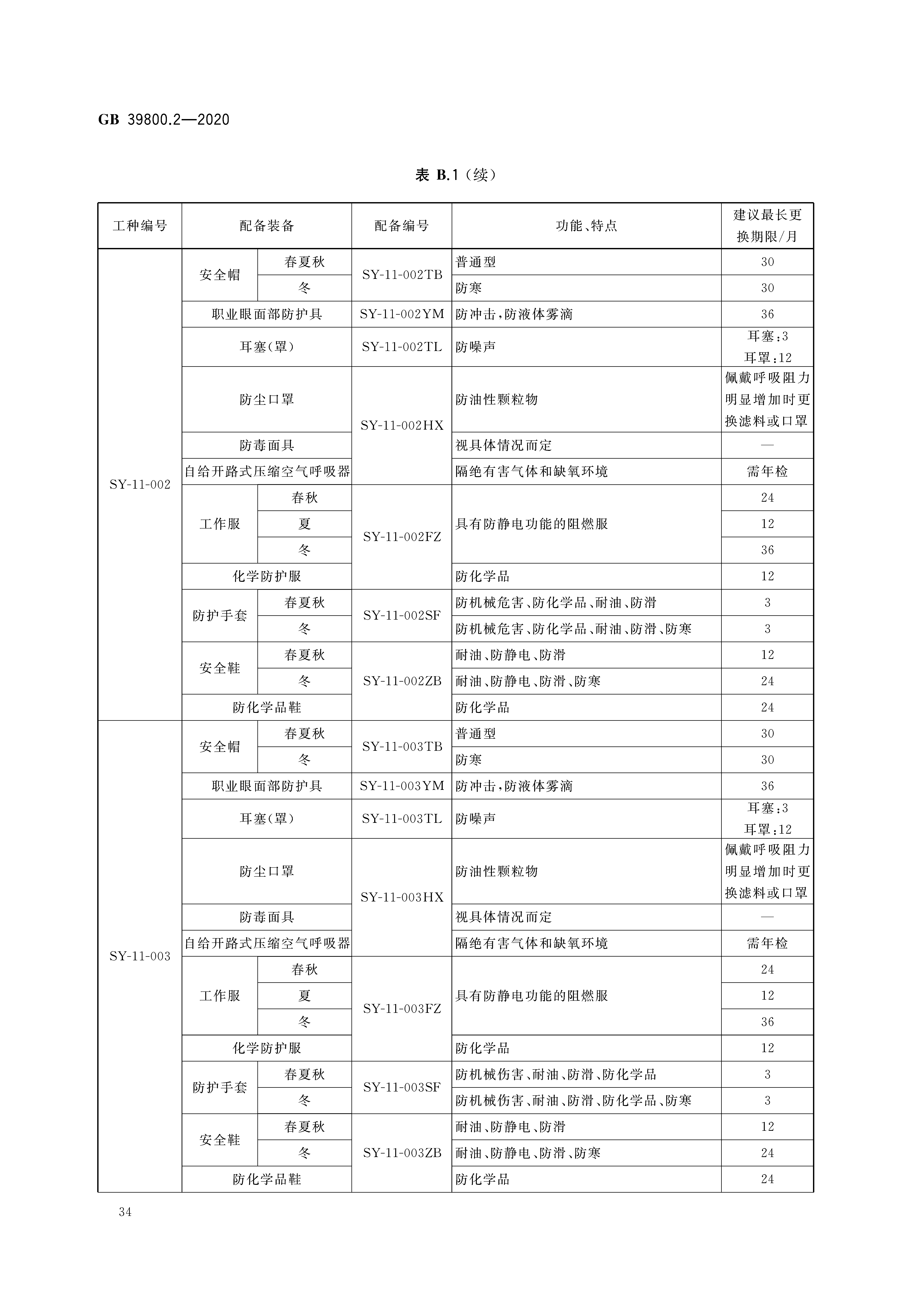
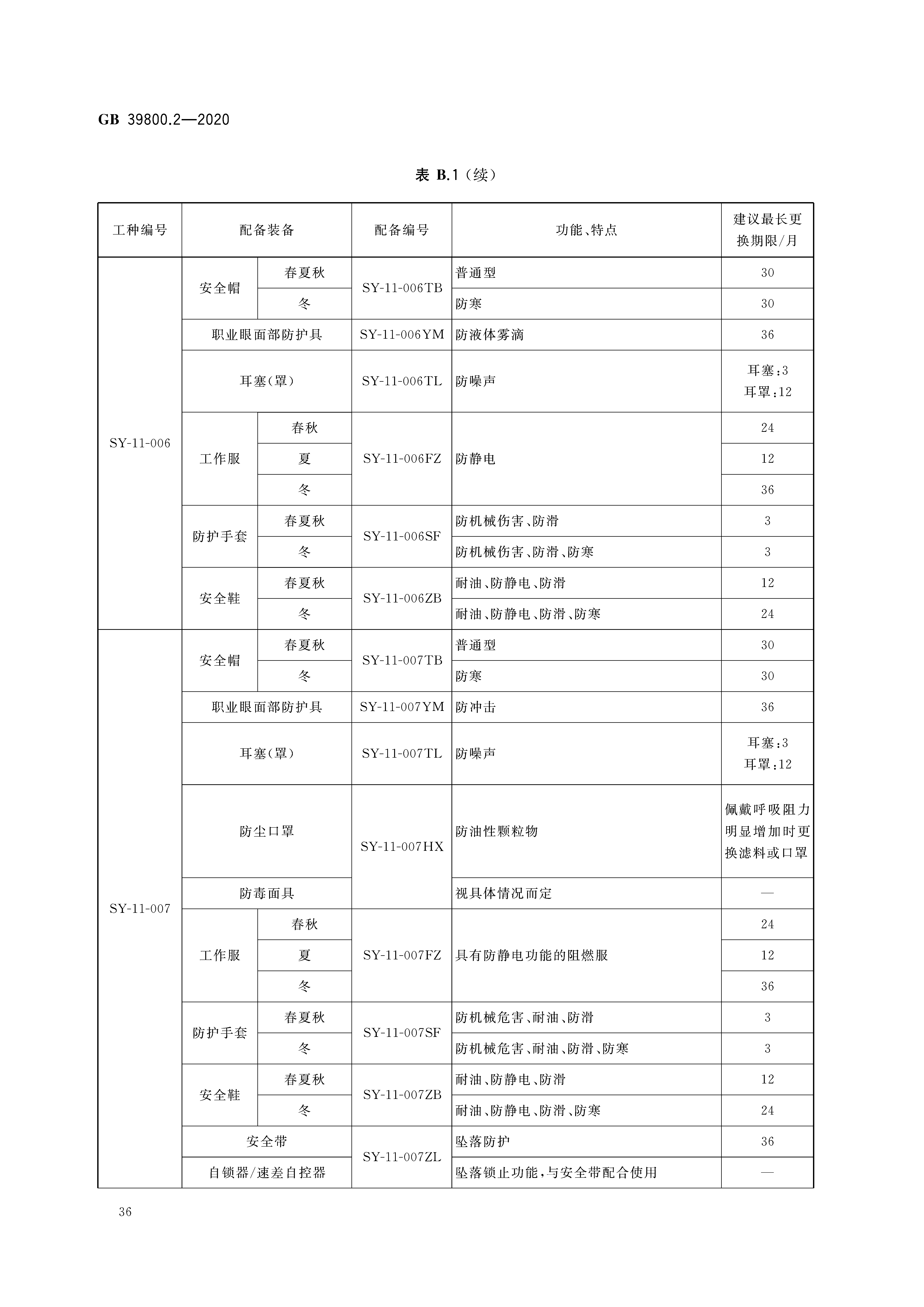
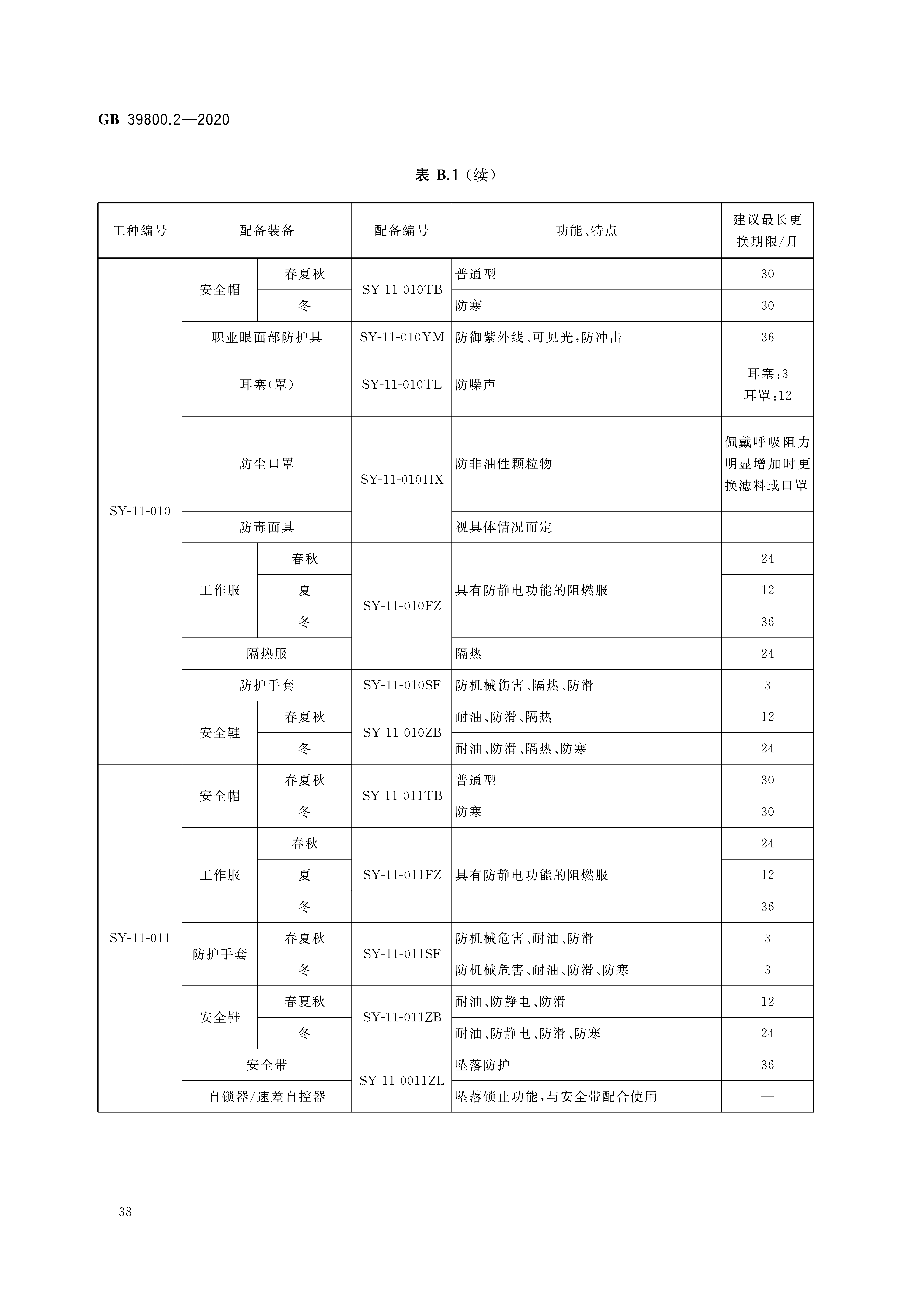
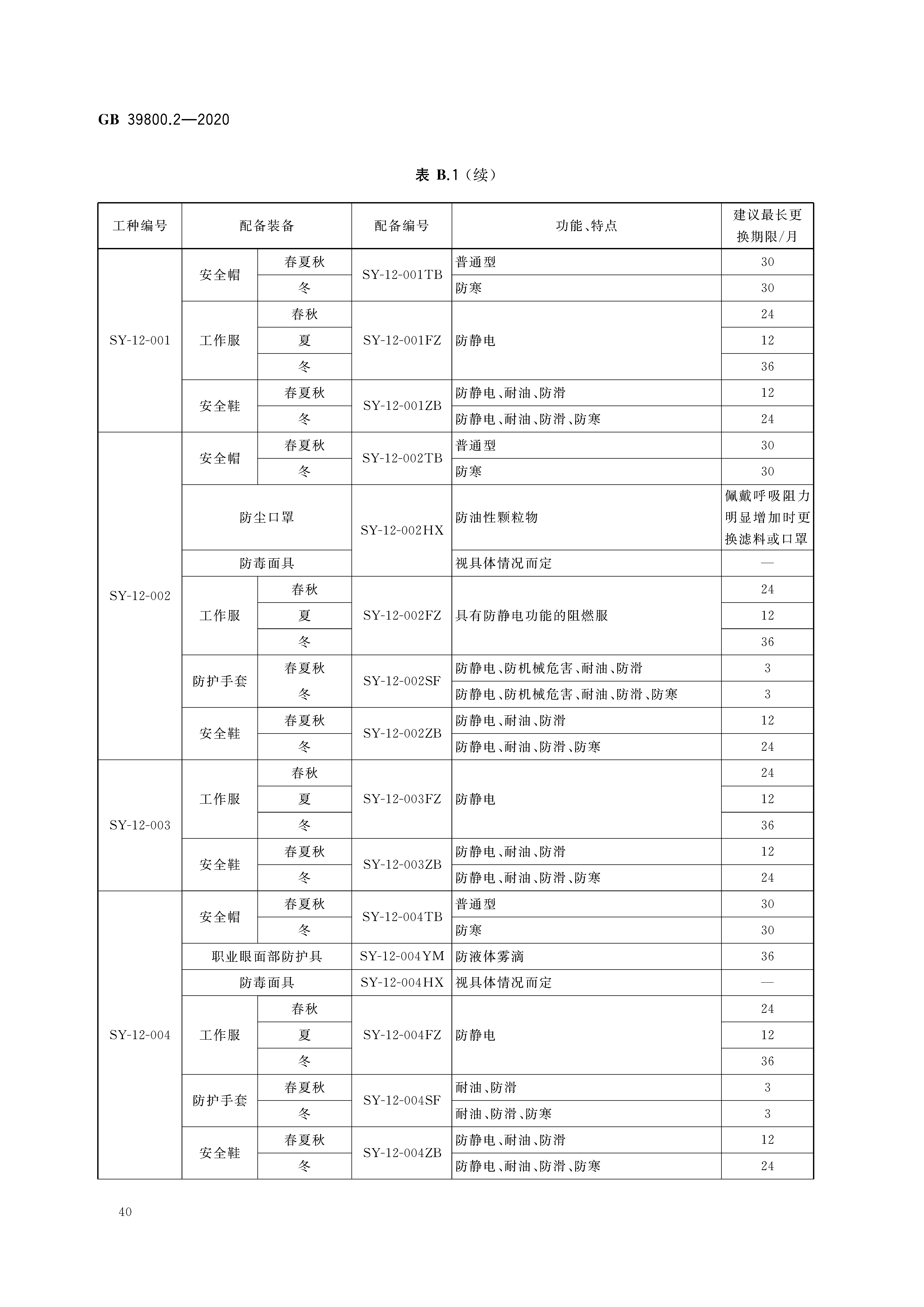
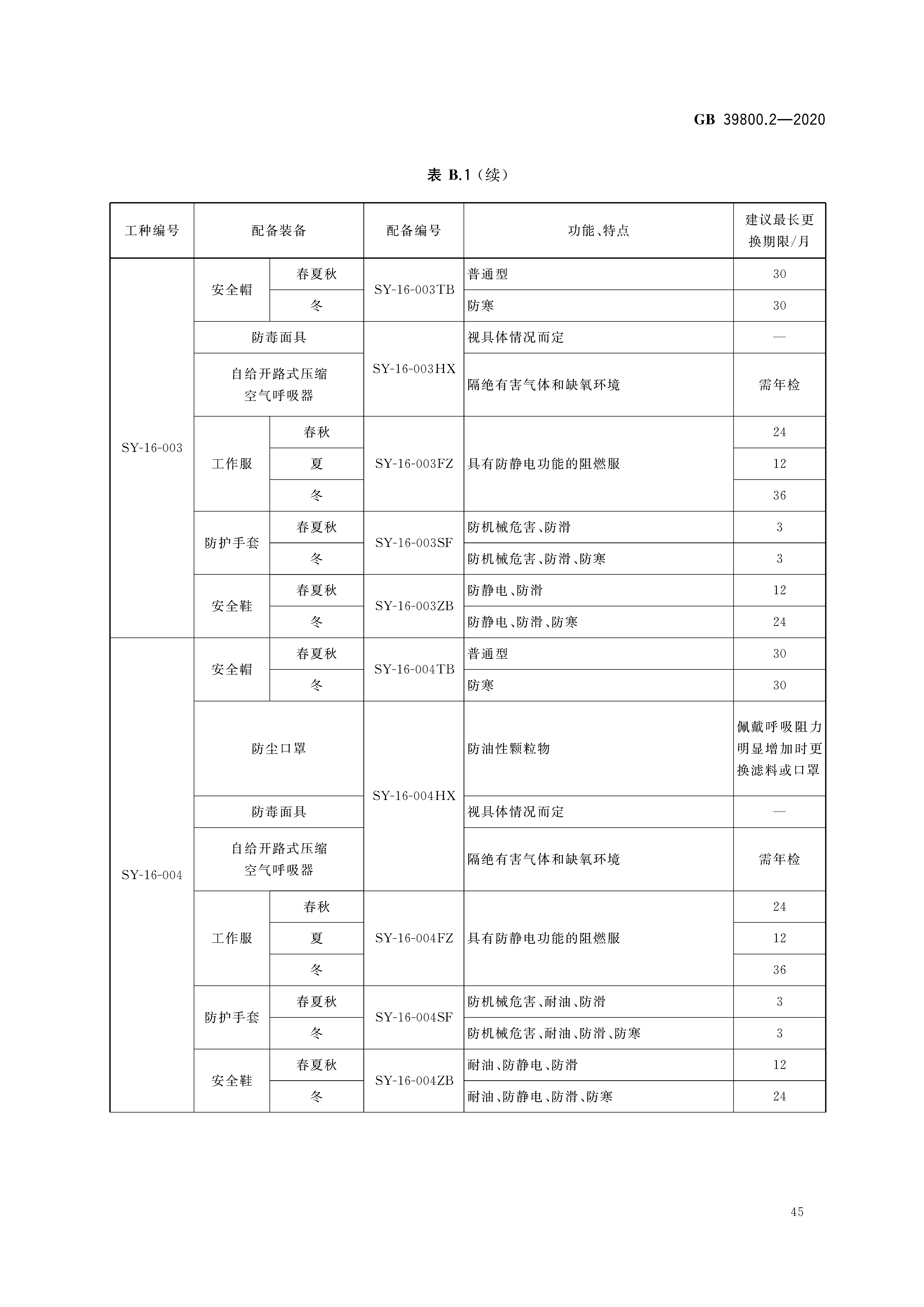
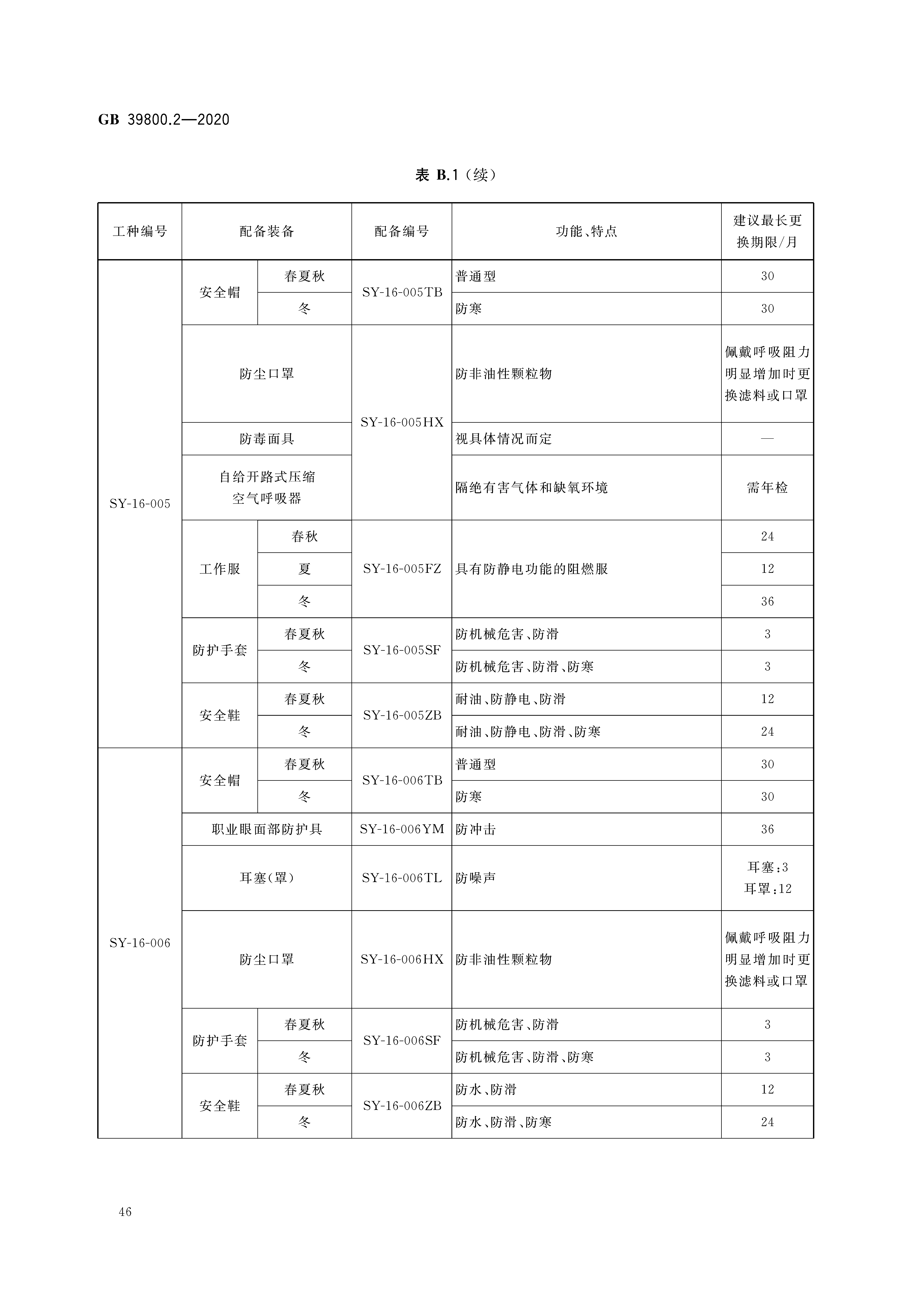
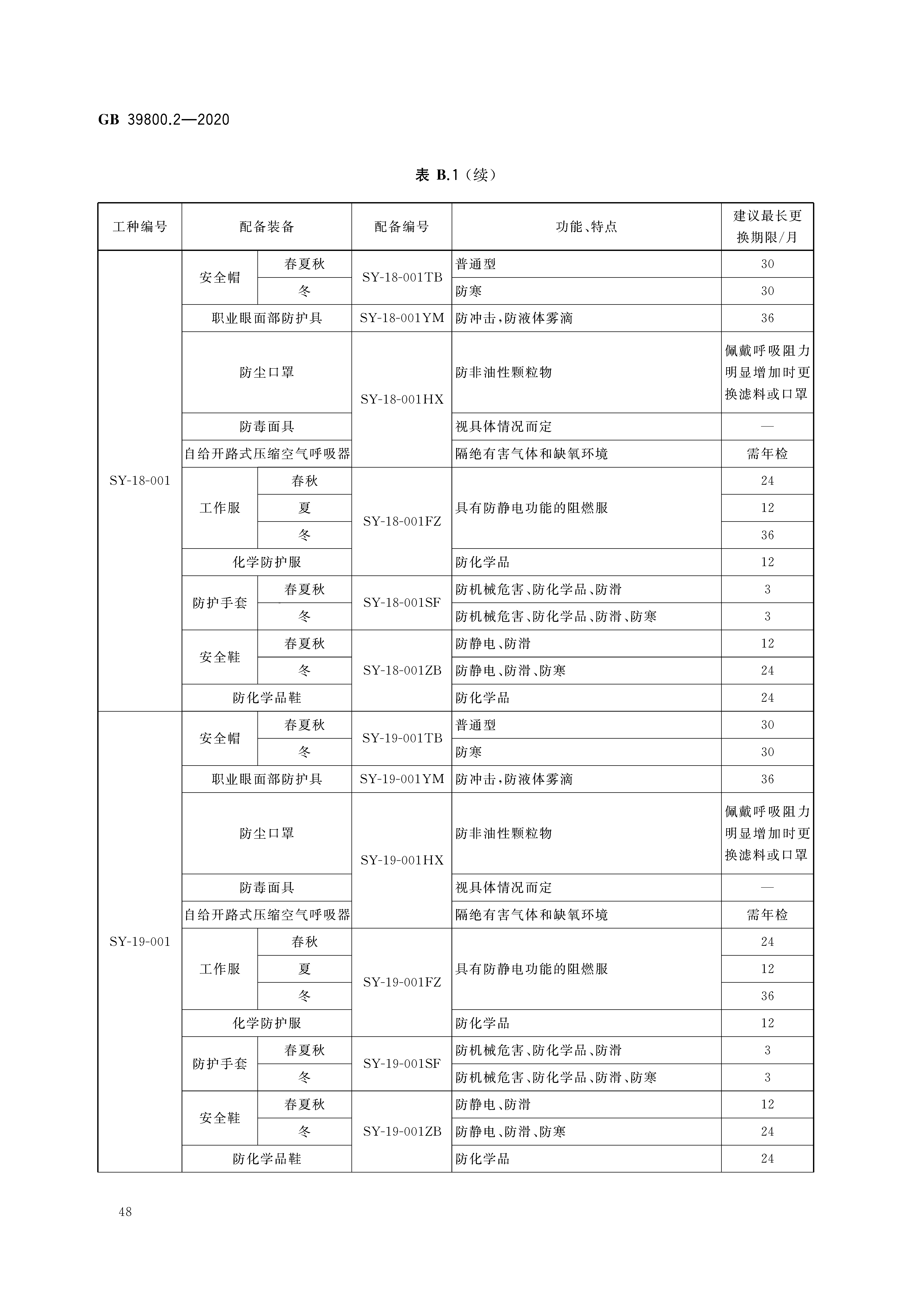
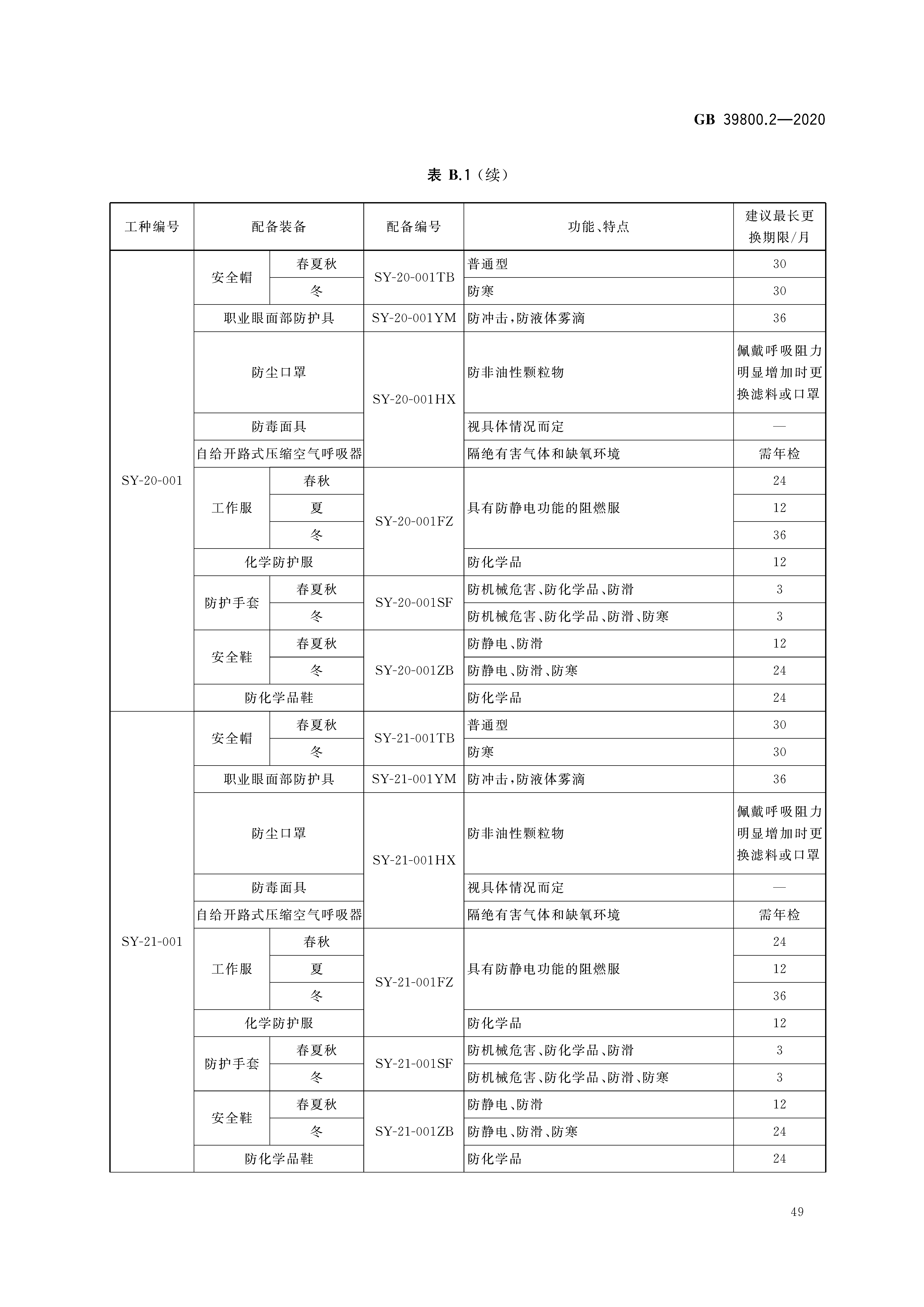
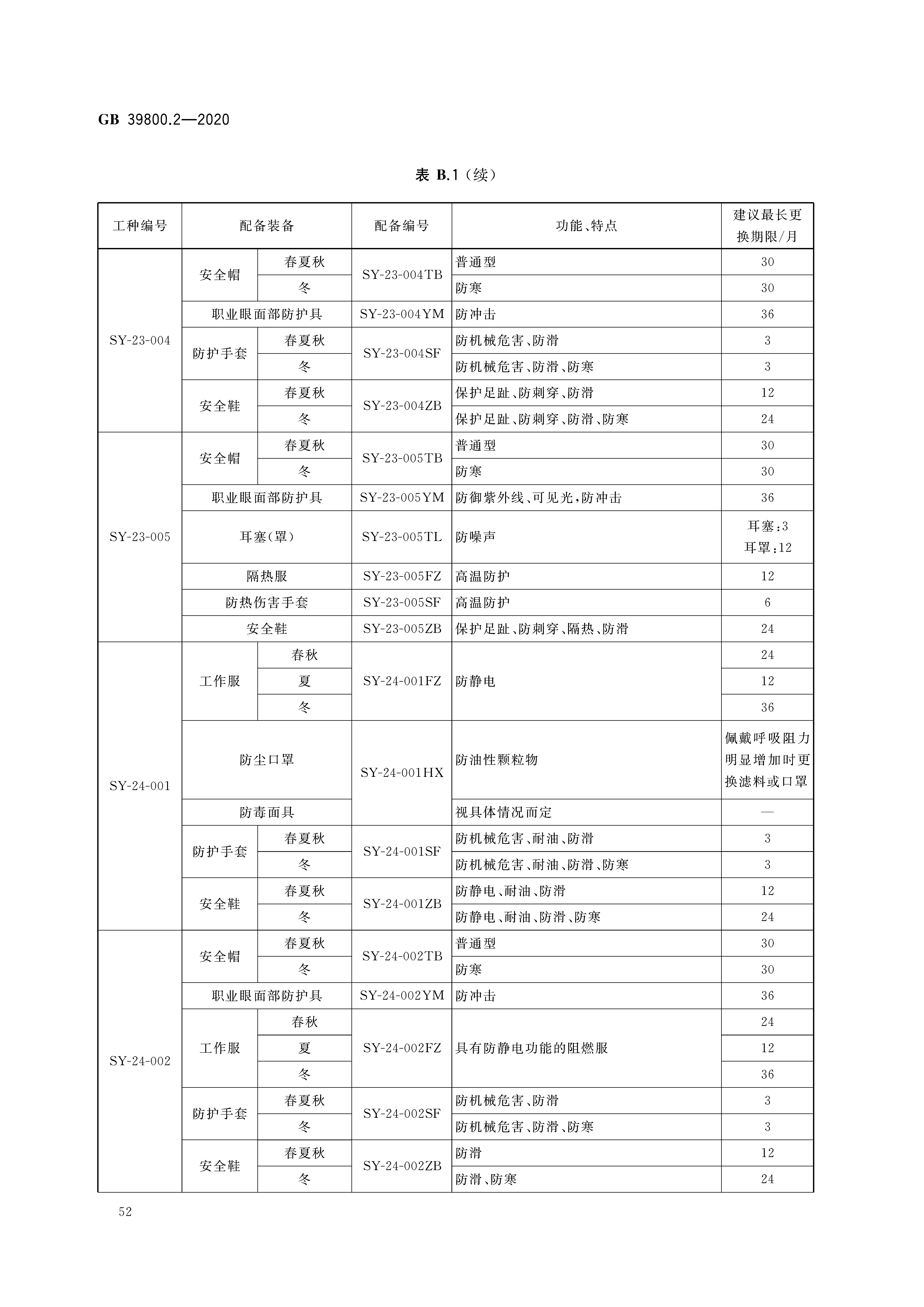
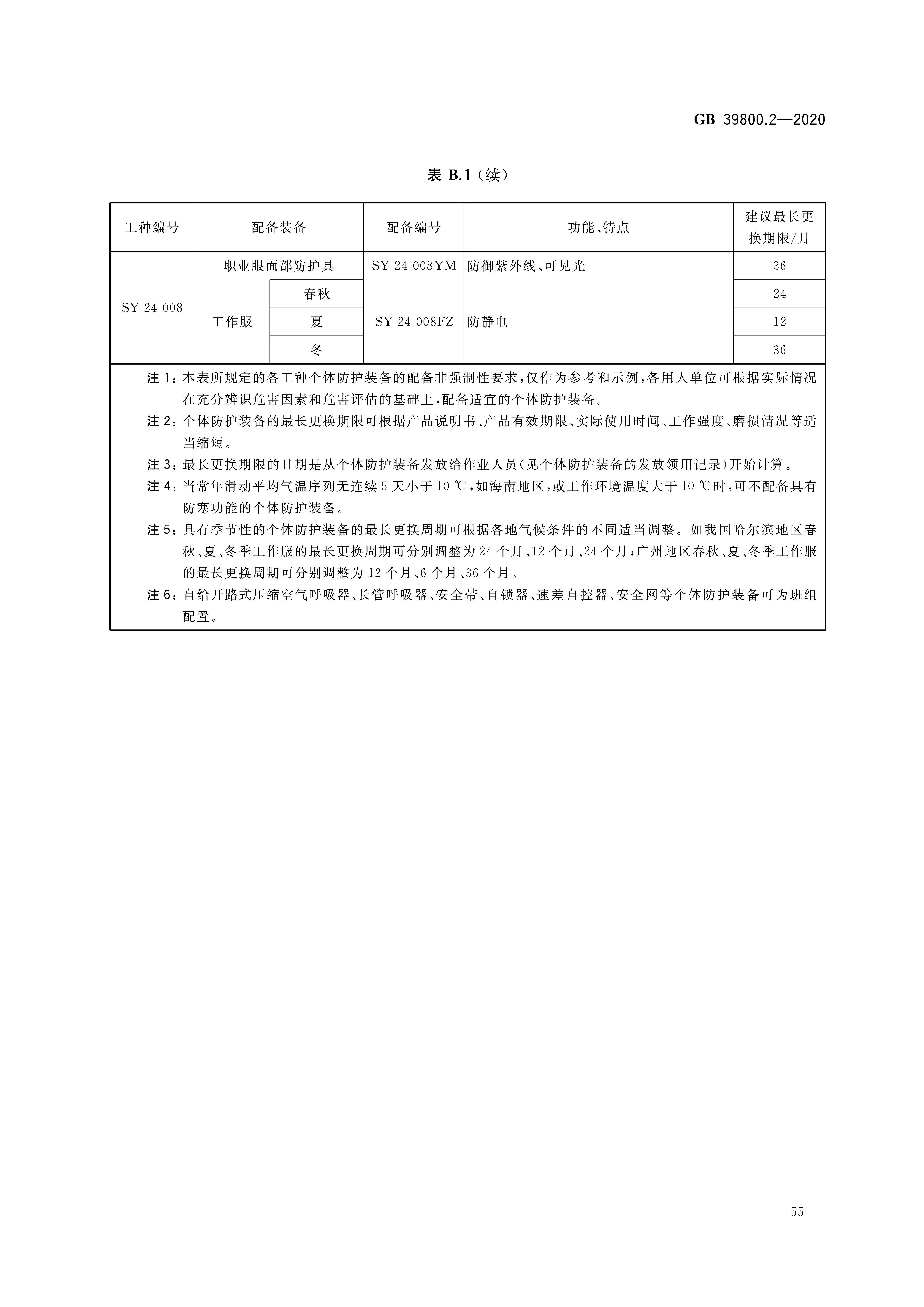
GB 39800.2-2020 個體(tǐ)防護裝備配備規範 第2部分(fēn):石油、化工(gōng)、天然氣
來(lái)源:本标準規範來(lái)源于網絡,僅供參考,具體(tǐ)以相(xiàng)關部門(mén)、單位發布爲準


















































相(xiàng)關新聞
移動端二維碼
公司宗旨:團隊、事(shì)業、共赢,責任、榮譽、使命
公司理(lǐ)念:組織團隊、制度體(tǐ)系、共赢文化
實現思路(lù):建設企業文化平台,實現團隊和個人(rén)的共同價值
雲南大成安全技術服務有限公司
公司地址:雲南(nán)﹒昆明市高新區海源中路(lù)1666号彙金大(dà)廈A座13樓
聯系電話(huà):(0871)68387388、68387366
公司傳真:(0871)68387358、68387398
公司郵箱:aaa@jxzaaq.com
公司郵編:650106
Copyright © 2022 雲南大成安全技術服務有限公司